Simple Bat Detector

Bats normally hibernate during the winter, but nowadays, thanks to the mild winters, we can encounter bats even in January. The real bat season, of course, begins in March–April and lasts until the end of October. This is the best time to go bat-hunting.

In urban environments, the most common species are the serotine bat (Eptesicus serotinus), the common noctule (Nyctalus noctula), and the Nathusius’ pipistrelle (Pipistrellus nathusii); the rearmouse (Vespertilio murinus) also occurs, though in smaller numbers. The serotine bat is relatively large, with a body length of about 6 cm, its fur is brown, lighter on the belly. The common noctule resembles the serotine bat, but its reddish fur and smoky black wings clearly distinguish it. In forest caves, you can often see small, date-sized, bundled black umbrellas hanging from the ceiling: these are the lesser horseshoe bats (Rhinolophus hipposideros). While hiking or walking along the Danube, you can also hear Daubenton’s bats (or Daubenton’s myotis, Myotis daubentonii), which are quite common in our latitude (they are found throughout Europe, except in northern Scandinavia and the southern Balkans). Along waterways in Hungary, they are also frequent. When a boat passes on the Danube, the animals can be seen clearly in the light of its spotlights, because insects move toward the light, and of course, that’s where the bats hunt.

Bats hibernate, but this is not exactly the same as the hibernation typical of mammals. Most European and North American bat species overwinter in caves, hollows, or other protected places at lower temperatures. Their body temperature and metabolism slow down significantly to save energy, as fewer insects are available to them as food during this time. This state, also called torpor, allows them to live off their fat reserves during the cold months. However, they can occasionally wake up, for example if disturbed, which can strain their energy reserves.

The Sonar of Bats

Everyone knows that bats navigate using ultrasound. With the help of their sound radar, bats can map their surroundings with great precision. An integral part of this ability is that they emit very strong ultrasonic sounds, which are characteristic of each species. We humans cannot hear these sounds, but with a simple device, we can detect them.

The ultrasounds are produced in the larynx, just like in all mammals, and the animal emits them through the mouth or nostrils. They are quite loud—some species can reach a volume of 120 dB, meaning a single bat can be as loud as a rock band with its audience. Yet we don’t hear them because they are so high-pitched that the human ear cannot perceive them. Their frequency ranges between 35–200 kHz. During normal flight, they emit about ten pulses per second, which is enough to detect obstacles in their path from a distance. When a bat is trying to catch an insect, the number of pulses increases to 200–500 per second. At that point, the bat can very precisely determine the prey’s position and speed.

The pulses have a characteristic frequency, duration, and pattern specific to each species. They can generally be grouped into three categories: constant frequency (CF), frequency modulated (FM), or a combination of both (CF-FM). A CF pulse is a single pure tone, essentially like a whistle. In contrast, the FM sound decreases in frequency and sounds like a chirping cricket. The combined CF-FM pulse consists of two parts: the beginning is a constant-frequency whistle, and the end is a deepening chirp. The long-lasting CF pulse is particularly useful for detecting large objects and measuring speed using the Doppler effect. However, it is not suitable for precisely determining the object’s position and details. For that, the FM signal is more appropriate.

A relatively large area of the bat’s brain is dedicated to processing these sounds. They detect not only the fundamental frequency but also the fine shifts in the first and second harmonics. The delay of the echo indicates the distance of the object being measured, and the degree of Doppler shift indicates its speed. The difference in time and amplitude between the bat’s two ears shows the direction angle. The interference pattern of sound reflected in the outer ear’s winding canals reveals the elevation above the horizon. The movement of flying insects’ wings causes subtle ripples in the Doppler effect, allowing the bat to distinguish them well from other objects.

The common noctule is the only species whose sounds are partly audible to the human ear; for the rest, a special ultrasonic detector is needed. These devices are quite expensive, but a nature enthusiast eager to experiment can tinker together a simple bat detector—without needing advanced knowledge of electronics.

The Detector

The heart of the detector is an ultrasonic receiver capsule. Such components are used in ultrasonic rangefinders, parking sensors, and alarm systems. You can extract one from an old, unused device, or purchase it from electronics retailers for around €3. The capsule operates on the piezoelectric principle. A special ceramic disc converts the ultrasonic vibrations around 40 kHz into an electrical voltage.

However, this voltage is far too small to be played through any kind of earphone, so it must first be amplified. In addition, the signal must be converted into a frequency range audible to humans. These tasks can be accomplished—with some compromises—using a very simple circuit.

Easy to assemble on a breadboard

For the sake of simplicity, I assembled the bat detector on a plug-in breadboard. Its great advantage is that no soldering is required during construction. Inside the board are conductive tracks—they run lengthwise along both edges, and crosswise in the middle. Connections between the tracks must be made with small pieces of wire. Such a breadboard can be purchased from online stores for around 1000 HUF (~2–3 USD). After the ultrasonic receiver capsule, this is the most expensive part of the whole project (apart from the battery), but it can later be reused for other experiments.

All the other components are dirt cheap. I’m not including a circuit diagram—the photo of the board tells you everything, and anyone can easily assemble it based on the image.

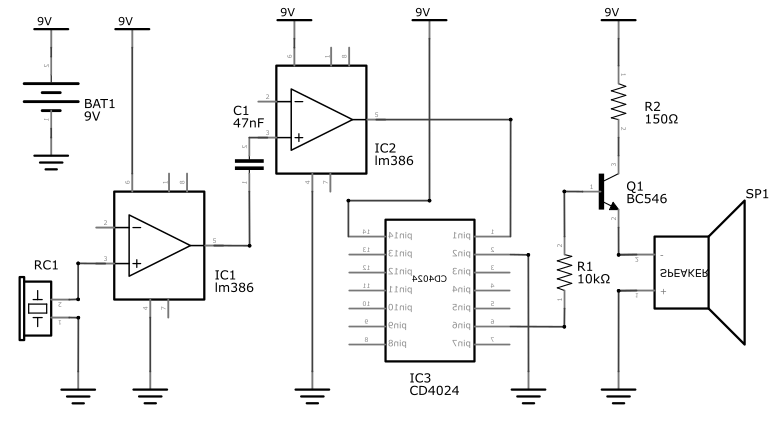
Schematic of the bat detector

The circuit contains two amplifier ICs and a frequency divider. The signal from the capsule (RC1) goes to pin 3 of the first integrated circuit (IC1), an LM386. This IC is actually designed to be a low-voltage audio power amplifier for small speakers. We are not using it for its intended purpose, but it’s perfectly suitable for our needs, because it allows us to implement the input amplifier stage without any additional external components. Anyone who wants more details can easily find the relevant datasheets with a quick Google search.

From the output of the IC, the amplified signal passes through a 47 nF coupling capacitor (C1) to the second amplifier stage (IC2), which is also an LM386 (in the example shown in the photo, it’s labeled GL386, which is the same thing—it’s just made by Hynix Semiconductor instead of Texas Instruments).

After this two-stage amplification, the signal—still at around 40 kHz—is fed into a CD4024 seven-stage CMOS frequency divider (IC3). We don’t use all the divider stages—just the first four, which together divide the frequency by 16. The divided signal appears at pin 6 of the IC. You can’t connect a speaker directly to this pin, because the IC can’t handle the load.

Instead, the signal is routed through a 10 kΩ resistor to the base of a BC546 transistor (any similar NPN transistor will work here). The transistor amplifies the current so that it can drive a small speaker.

Don’t expect miracles from this setup. This is what it sounds like:

When the ultrasonic receiver detects a bat call, the speaker produces the characteristic clicking or chirping sound, which is audible to the human ear. The circuit’s output can also be connected to a computer’s audio input (in that case, the transistor is not needed), allowing you to record the sounds.

It’s worth listening over several days to observe how bat activity depends on temperature and weather conditions.

The circuit described above is fairly well known, and several variations can be found online. I’ve simplified it to the extreme, but there’s also a version built as an Arduino shield, called ArduBat.

Leave a comment